这是你知道的工业铂电阻吗?
工业铂电阻是中低温区最常用的一种温度传感器。其主要特点是测量精度高,线性度好,性能稳定,广泛应用于工业测温领域。
01
工业铂电阻测温原理及材料
铂电阻测温是基于金属铂的电阻值随温度的增加而增加这一特性来进行温度测量的。采用特定纯度的铂丝作为感温元件。
02
工业铂电阻的结构
(1)线绕式元件
线绕式铂电阻元件用Φ0.02mm - Φ0.05mm 的铂丝绕成螺旋弹簧状,再装入基体的纵向孔内,然后采用微电弧焊接,使铂丝与引线连接,孔内填入氧化铝粉,端部采用釉封装。
(2)膜式元件
膜式铂电阻元件是由铂箔自积淀于瓷基体表面而形成的。
由于结构和辅助材料的不同,因此可承受的温度范围也不一样。详见JJG229-2010工业铂、铜热电阻检定规程(表1)。

03
工业铂电阻的线制
工业铂电阻分为两线制,三线制和四线制,分别适用于不同的测温精度场合。
A)两线制

RL为引线电阻。两线制测量方法测量的电压为V,激励电流为IR,因此测量得到的电阻为V/ IR =R+2 RL。因此两线制测量方法误差大,包含了两根引线的电阻,无法消除。
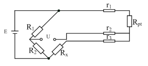
B)三线制
工业生产中,热电阻温度仪表大多是采用不平衡电桥来进行测量的。因此工业铂电阻设计成三线制,接入不平衡电桥的两个不同的桥臂上,测量电阻时,可以相互抵消一部分线阻的影响。如果需要准确三线制铂电阻的电阻值,需要按照JJG229-2010工业铂、铜热电阻中推荐的两次测量法,改接成四线制测量,可消除引线电阻的影响。

C)四线制

四线制的测量,首先由电压表测出铂电阻两根引线右侧的电压,由于电压表内阻近似为无穷大,则可以认为铂电阻两侧电压就是V,而电流端已知了激励电流,即可算出铂电阻的真实电阻值,从而消除了引线电阻的影响。
因此四线制是最准确的铂电阻测量方法。
福禄克专用测温仪支持2线,3线及4线制测量,电流自动换向,消除杂散热电动势的影响。
同类文章排行
- 数字多用表电阻测量原理(万用表测试电阻原理,干货篇)
- 福禄克:数控机床损坏原因探究
- 福禄克出现感叹号或者报告不适用是什么原因?
- 怎样输出不同语言的FLUKE测试报告?福禄克软件如何更改英文为中文?
- 【选型指南】Fluke 9500B示波器校准器的配置选择
- 福禄克FLUKE DSX2-8000与DSX2-5000如何测试profinet线缆 M12接口
- 为什么说模式转换测试对网络平衡来说非常重要
- VIAVI MTS-5882 全功能测试仪提升电力企业的可靠性
- 通过 Viavi MTS-5800TrueSpeed 进行的 RFC 6349 测试— 像客户一样体验您的网络
- 【光伏专栏】为什么作业工具在光伏现场需要达到CAT III安全等级?
最新资讯文章
您的浏览历史







